Qualsiasi articolo con giacenza positiva vi arriverà entro 24 ore dall'ordine tramite corriere oppure sarà disponibile per il ritiro presso la nostra sede entro 48 ore senza costi di spedizione.
Cerca per pagina
Digita la prima lettera dell'articolo che vuoi cercare:
--- Ricerca per Marchio --- Apex Baudat Cados Calimax Carolus CD-Peddinghaus Dialmax Digimax Durr Erzett Ewo Gedore Gedore_red Guhema Hallbauer Hartner Hase Heller Hufnagel Kanca M42 Marvel Maxiflex Metec MIB Ochsenkopf Pakes Peddinghaus-PAM Pneutec REBURE Richter Schroeder Schumacher SCU_Italia Sebald Sonnenflex Sturem Textilia Torqueleader V_Coil Voelkel Weber Witte
Per ordini superiori a 150 Euro spedizione gratuita.
Per le tariffe di spedizione in Italia cliccare qui.
Salva foto in alta risoluzione
Stampa la scheda Invia la scheda Apri la pagina del catalogo Vai ai prodotti di pag. Prodotto precedente Prodotto successivo
Prod. SCU
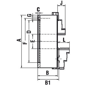
DIN 6350
Guida semplice, corpo in ghisa sferoidale speciale. Tipo di alta precisione a 4 griffe.Con 2 serie di griffe: 1 per interni, 1 per esterni e chiave.Parti di scorrimento temprate e rettificate. Ottimo assorbimento delle vibrazioni, corona forgiata, bilanciata e temprata. Costruito in base alle norme DIN 6350.